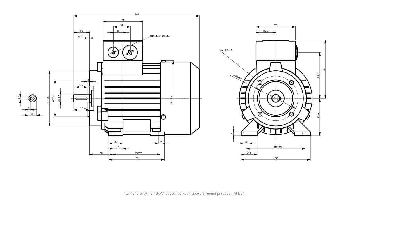
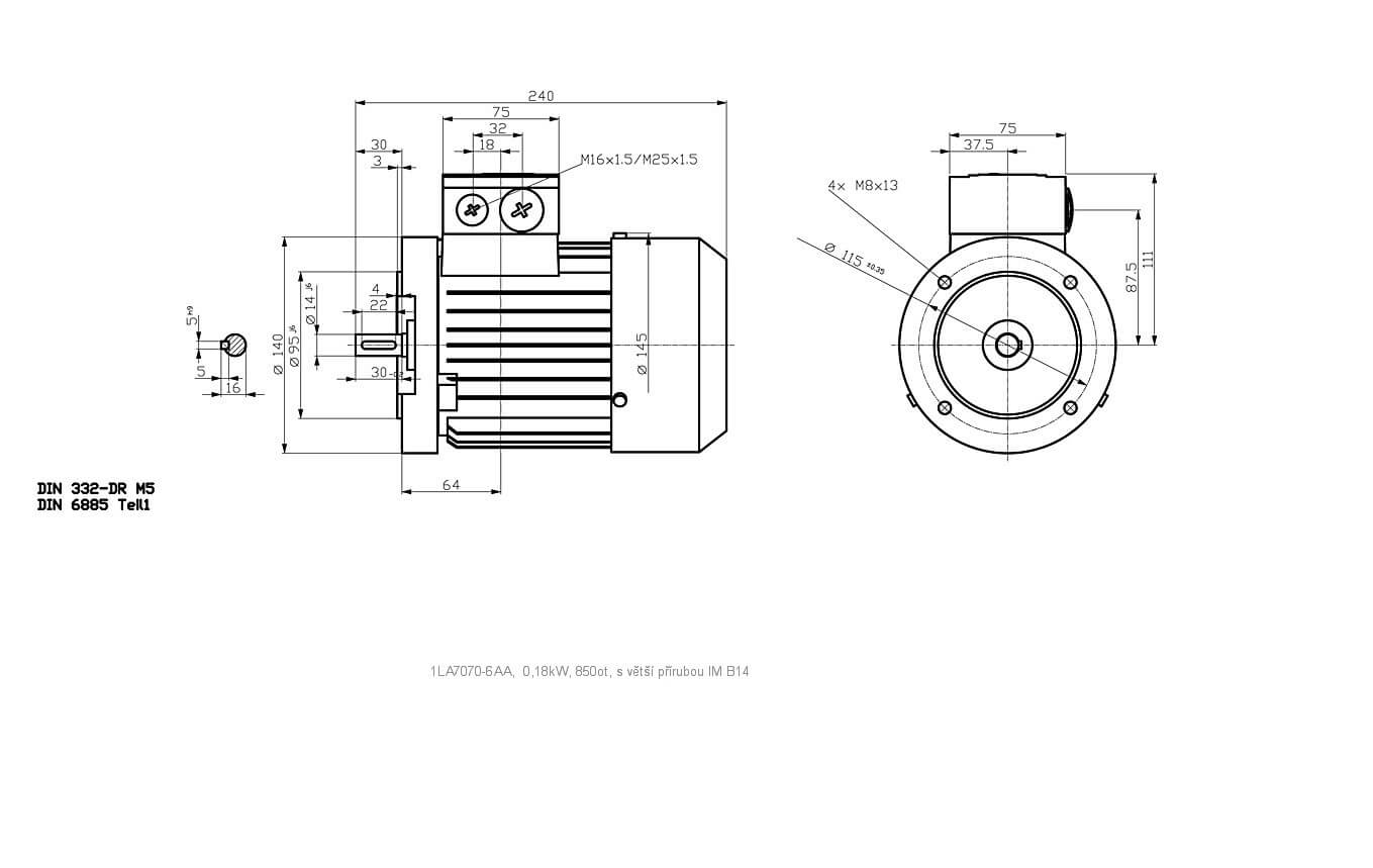
Elektromotor SIEMENS 1LA7070-6AA, 0.18kW,835ot

Perfektný produkt

Katalógové číslo: elektromotor Siemens Kategória: Značky: ,
ISO certifikáty

Potrebujete poradiť? Sme tu pre vás.

Typová řada:

1LA7

Velikost (osová výška):

71

Výkon:

0,18 kW

Otáčky:

835 min-1

Počet pólů:

Šestipólový

Napěti:

230 / 400V 50Hz

Krytí:

IP 55

Kostra:

Hliníková

Pro teplotu okolí:

od -20°C do + 40°C

Třída izolace:

F

Pro nadmořskou výšku:

do 1000 m

Pro trvalé zatížení:

S1

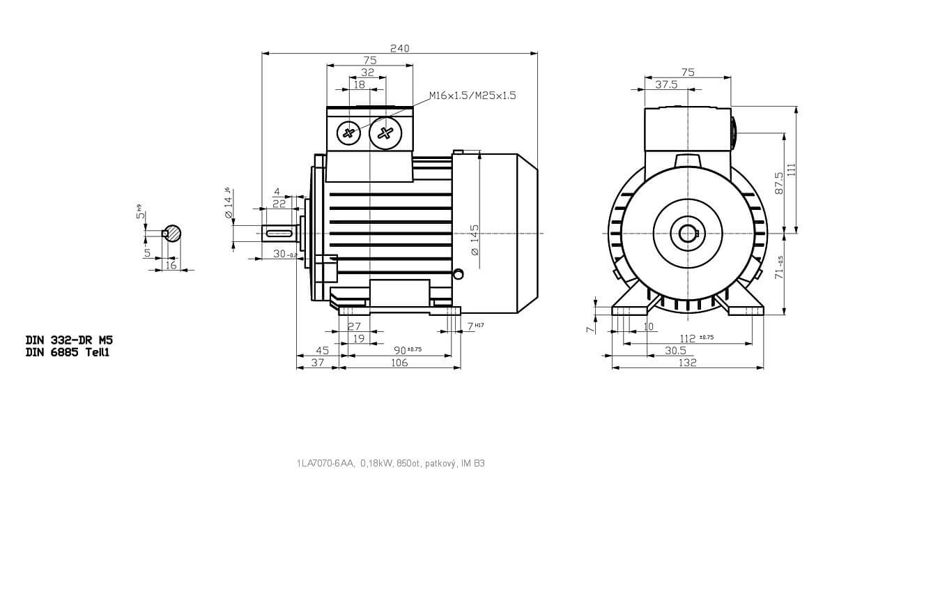
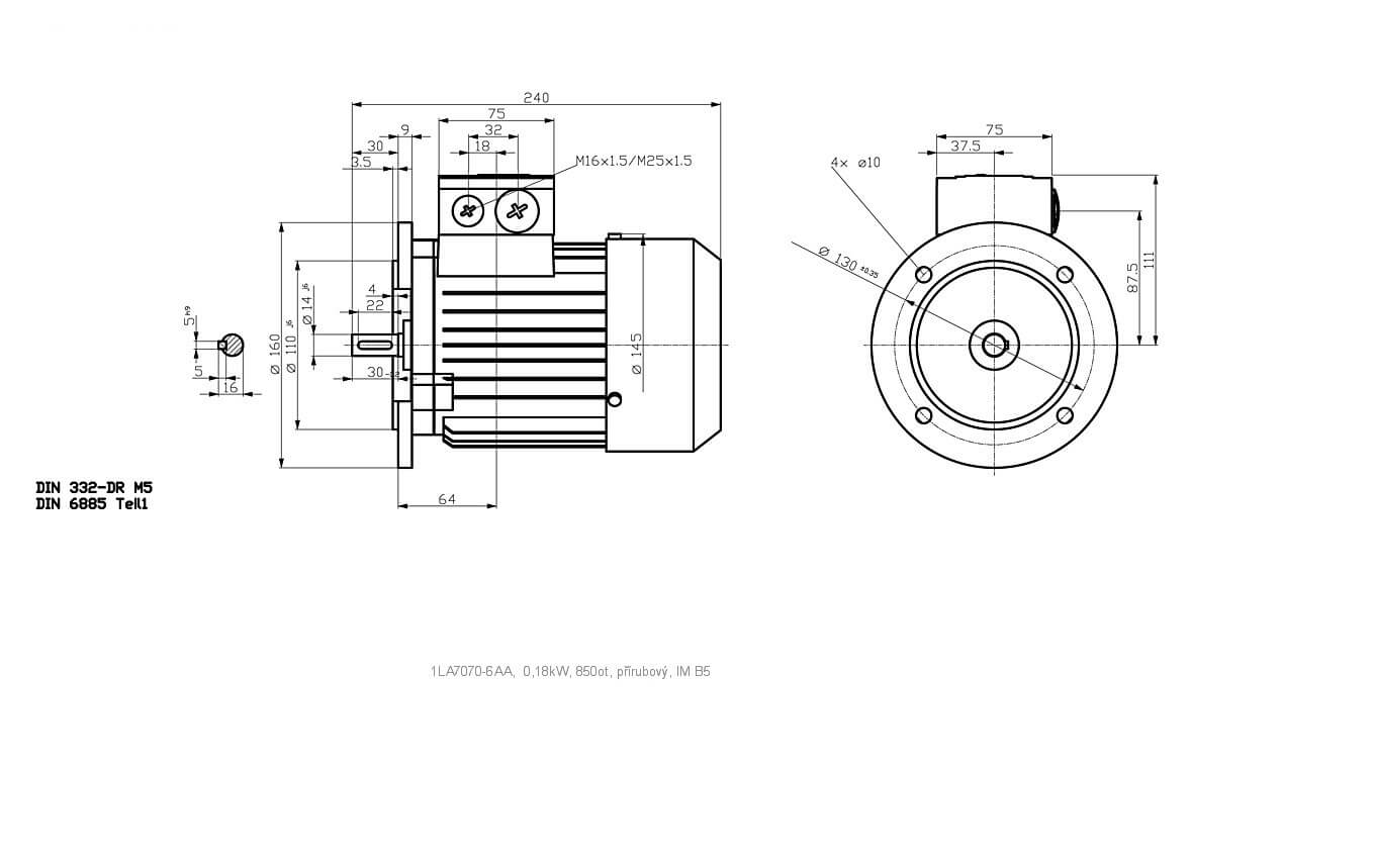
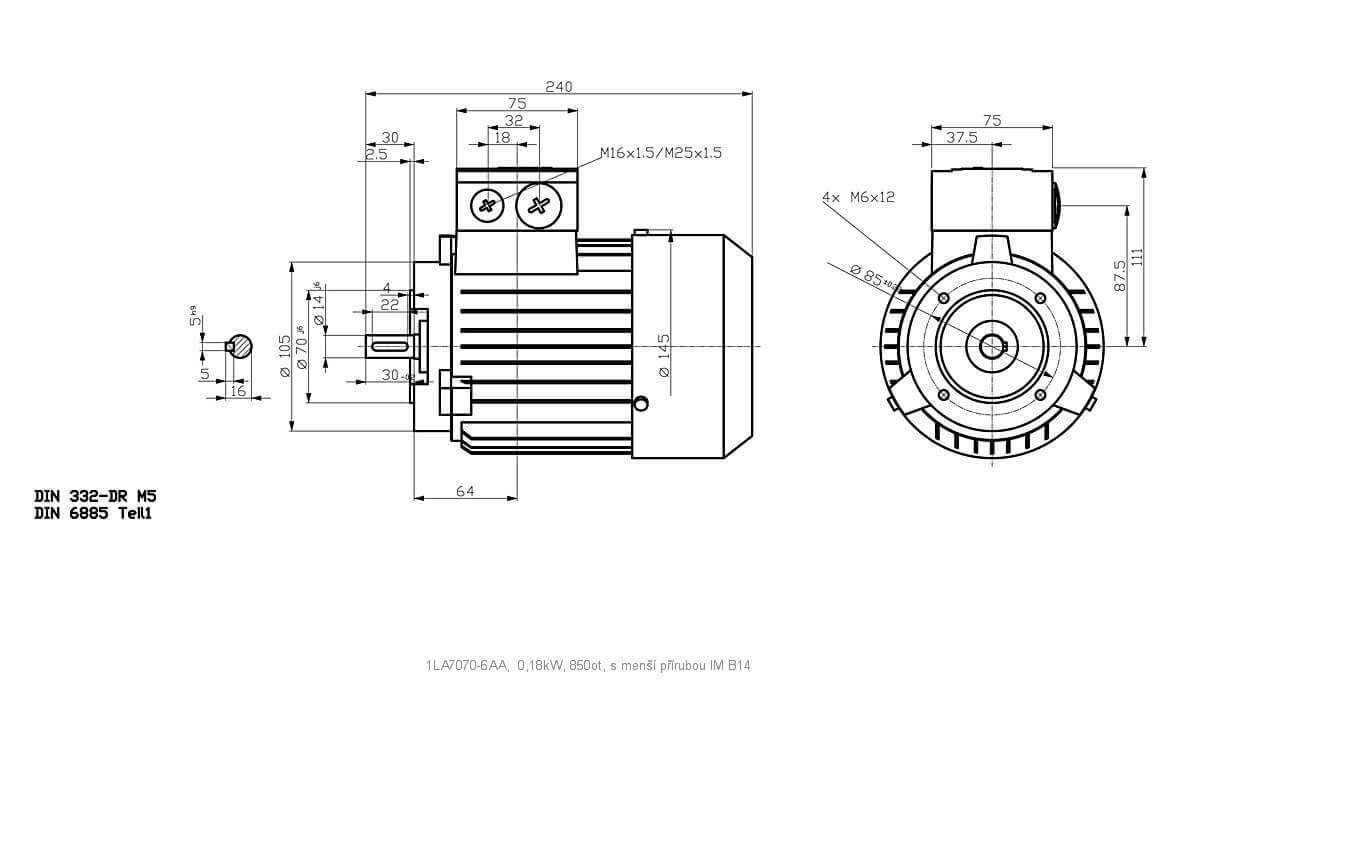
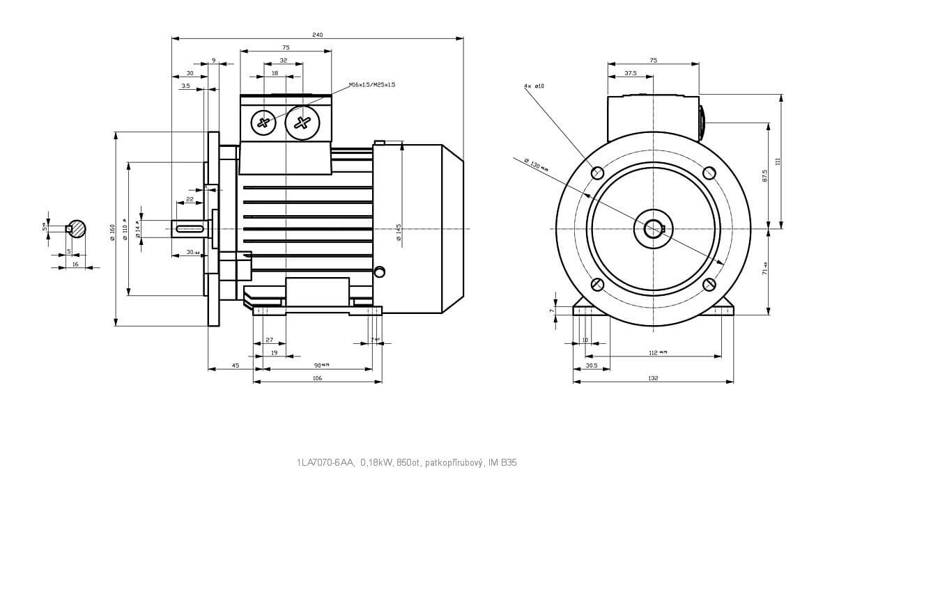
Prevedenia: B3-pätkové

B5-prírubové ,B14-prírubové ,B14 s veľkou prírubou (za príplatok 15% z ceny elektromotora) .

Pri objednávke prírubového elektromotora , uveďte prosím do poznámky vo formulári .

Zvláštne prevedenie (za príplatok):

Ochrana motoru

(A11) Tepel.ochrana 3ks PTC termistory

 

(A31) Tepel.ochrana 3ks termokontaktů

 

(A23) Tepel.ochrana 1ks KTY84-130

 

Mechanické úpravy

(K16) Dva volné konce hřídele

 

(K17) Těsnění / GUFERO/u přírubových motorů do tlaku 0,1baru

 

(K35) Kovový ventilátor (Al)

 

(K45) Antikondenzační vytápění motoru 230V

 

(K94) Pevné ložisko na straně D (strana pohonu)

 

(L04) Pevné ložisko na straně ND (strana krytu ventilátoru)

 

(L13) Vnější zemnící ochranná svorka

 

(K02) Vyvážení motoru stupeň vibrací B

 

Modulární nástavby

(G17) Cizí chlazení /2CW1/

 

(G26) Brzda /2LM8/

 

(H57) Snímač otáček 1XP8 001-1/HTL

 

(H58) Snímač otáček 1XP8 001-2/TTL

 

(K82) Ruční odbrždění

 

Provedení pro Zóny 21, 22 dle ATEX

(M34) Provedení pro Zónu 21, napájení ze sítě ExII 2D IP65 T125°C

 

(M38) Provedení pro Zónu 21, napájení z měniče ExII 2D IP65 T125°C

 

(M35) Provedení pro Zónu 22, napájení ze sítě ExII 3D IP55 T125°C

 

(M39) Provedení pro Zónu 22,napájení z měniče ExII 3D IP55 T125°C

 

Další napětí

(400VD) 400/690V, 50Hz

 

(500VY) 500/290V, 50Hz

 

(JINé) Jiné napětí

 

Dokumentace

(B02) Protokol o kusové zkoušce

 

SIEMENS katalog 1LA7